Echolette M 150
|
| Echolette M 150 ein sehr schön erhaltenes Stück im voll funktionsfähigem Zustand Der Verstärker hat 2 x EL34 in der Endstufe mit einem wuchtigen Ausgangstrafo. Der Vorverstärker ist in Modulbauweise mit IC bestückt |
![]() |
| Das Innenleben sieht sehr aufgeräumt aus. In dem Blechkasten unten befinden sich die Vorstufen. |
![]() |
![]() |
![]() |
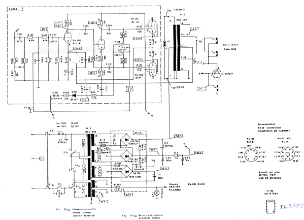
| Die Schaltung der
Endstufe |
![]() |
| Der Vorverstärker mit seinen 6 Eingängen |
![]() |
![]() |
| Der Klangregler mit Lautstärkeregelung. Eine schlechte Eigenschatft hat die Lautstärkeregelung, sie raucht unerträglich. Grund ist ein IC im Ausgang mit voller Verstärkung, weil die Lautstärkrregelung sich vor diesem IC befindet Aus diesem Grunde habe ich mich entschlossen einen Neuen zu bauen. |
![]() |
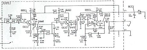
| Die Schaltung des Vorverstärkers, man sieht das die
Lautstärke vorm IC geregelt wird und das IC mit voller Verstärkung
läuft was ein sehr starkes Rauschen zur Folge hat, besonders wenn kein
Signal anliegt. Das ist schlechte Schaltungstechnik, des ansonsten
guten Klangeigenschaften des Verstärkers. Es macht einfach Spass dem
Röhrenoldi auch bei größerer Lautstärke zuzuhören und aus diesem Grund
beschloss ich das Gerät wieder in den Einsatz zu
bringen anstatt im Museum verstauben zu lassen. Um ihn wieder zu
benutzen musste das Rauschen abgestellt werden. Ein anderer Vorverstärker
musste her. Da der Vorverstärker aus einem Steckmodul besteht kann man
auch nach der Modifizierung den Oldi mit wenigen Handgriffen in den
Original zustand versetzen. Die Jahre bringen eine Menge an Erfahrung mit sich und ich konnte auf eine hervorragende Universalschaltung zurückgreifen siehe unten. |
![]() |
| Klangregelbaustein neu gefertigt (voll austauschbar) Der neue Vorverstärker bei dem das Problem des Rauschen beseitigt ist. Die Lautstärkeregelung befindet sich in der Gegenkopplung des OP's und damit wird die Verstärkung geregelt. Das gleiche mit der Klangregelung. |
![]() |
| Da steckt er der Neue Vorverstärker, Marke Eigenbau |
![]() |
| Diese Schaltung hat sich zichfach bewährt und hat viele Vorteile wie sehr gute Klangeigenschaften, es werden preiswerte lineare Potis (auch für die Lautstärke) verwendet, weil die Regelung der Lautstärke sowie Bass und Höhen in der Gegenkopplung der Operationsverstärker stattfindet. Dadurch kann man die Klangregelung sehr Steil auslegen ( Kurve weiter unten) und eine gehörrichtige Lautstärkeregelung ist möglich. Die Schaltung hat eine sehr große Vestärkung und ist niederomig im Ausgang damit lassen sich auch große Endstufen Aussteuern. Genau dieser Vorverstärker arbeitet schon seit Jahren an einer von mir gebauten Ela Endstufe mit 300 Watt Sinus, sowie in den auch von mir in ca.15 Stück hergestellten HiFi Verstärkern. (siehe hier) Ein Nachteil hat das Ganze, das der OP eine positive und negativer Versorgungsspannung braucht. Weil ich an dem Echolette aber nichts verändern wollte, habe ich einen modernen Schaltregeler (NMA1212S) mit auf die neue Platine gesetzt der aus der einen vorhandenen Betriebsspannung Plus und Minus 12 Volt macht. |
![]() |
| Das
selbst gefertigte Layout vom Vorverstärker...Leider sind die
Originaldateien vom EAGLE Layout Editor bei einem Festplattencrash
vernichtet worden. Die Belichtungsfolie ist auch nicht mehr
aufindbar.Das hier auf diesen Seite ist alles was noch vorhanden
ist.das Ganze ist aus dem Jahr 2002. |
![]() |
![]() |
| Der Bestückungsplan |
![]() |
| Messprotokoll Frequenzgang vom Vorverstärker (Neu) |
![]() |
|
Mit freundlicher
Genehmigung von Hans Ohms, da dieses von seiner Homepage stammt
und von ihm erstellt wurde. Unbedingt vorbei schauen " www.el-me-se.de "
alles über Echolette und Dynacord, es ist Fantastisch was Hans da
zusammengetragen hat. ..Leider ist der Hans verstorben und seine Seite gibt es nicht mehr. Ein Juwel des Internets ist gegangen. |
| Seitenanfang |